高级检索

6005铝合金激光−MIG复合焊接接头裂纹扩展行为

Crack propagation behavior of laser-MIG hybrid welded joints in 6005 aluminum alloy

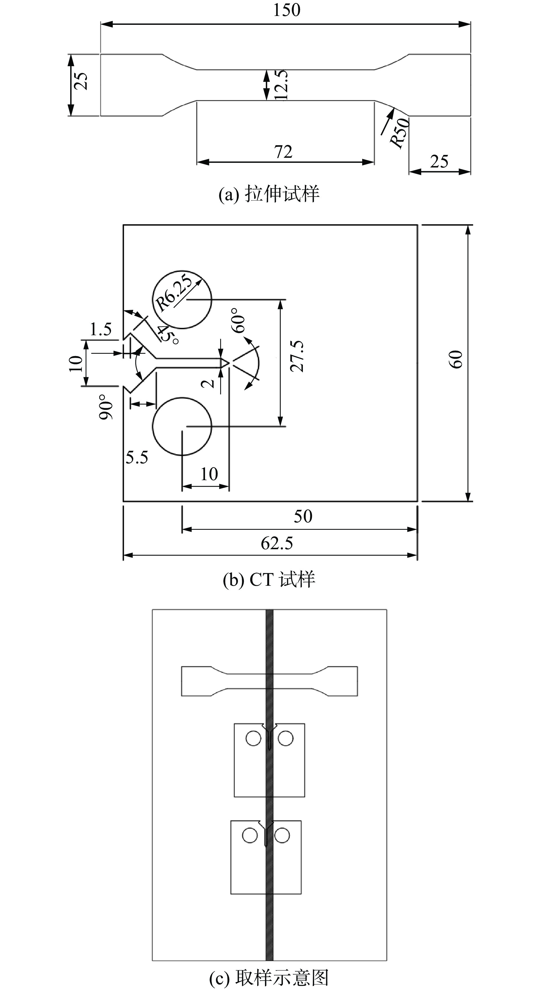
  • 摘要: 开展了6005A-T6铝合金激光–MIG复合焊接接头裂纹的疲劳裂纹扩展行为研究,并结合数字图像相关技术(digital image correlation,DIC)获取试验过程中的裂纹尖端局部位移场,进而研究接头和母材裂纹闭合效应的差异. 结果表明,激光 –MIG复合焊接焊缝试样与母材试样的疲劳裂纹扩展速率相近,但后期扩展更快,而热影响区试样的扩展速率明显偏低. 基于4%柔度偏移值确定裂纹展开力,所有试样均符合裂纹闭合因子U随裂纹扩展而逐渐增大的整体规律,但焊缝裂纹闭合程度先降低后逐渐升高到母材水平,而热影响区裂纹闭合程度则前期略低于母材,后期超过母材,且未出现明显收敛趋势. 根据Elber公式对裂纹扩展数据进行修正以消除裂纹闭合对扩展速率的影响,修正前后裂纹扩展数据分散性并未得到明显改善,表明仅考虑裂纹闭合效应仍不能对接头疲劳裂纹扩展行为进行准确描述.

     

    Abstract: The fatigue crack propagation behavior of laser-MIG hybrid welded joints in 6005A-T6 aluminum alloy is studied. Digital image correlation (DIC) technology is employed to capture the local displacement field near the crack tip during testing, enabling a comparative analysis of crack closure effects between welded joints and base material. The results show that the fatigue crack propagation rates in the laser-MIG hybrid weld specimens are initially comparable to those in the base material specimens but accelerate significantly in later stages. In contrast, the heat-affected zone specimens exhibit notably lower crack propagation rates. A 4% compliance offset value is selected to determine the crack opening force. All specimens follow the general trend of increasing crack closure factor U with crack propagation. Specifically, the crack closure level in the laser-MIG hybrid weld specimens first decreases and then gradually rises to that in the base material specimens, whereas the crack closure level in the heat-affected zone specimens is initially slightly lower than that in the base material specimens but exceeds that in the base material specimens in later stages without convergence. The Elber equation is applied to correct crack propagation data to eliminate the influence of crack closure on the propagation rate. However, the dispersion of crack propagation data remains largely unchanged before and after correction, indicating that crack closure effects alone cannot fully explain the fatigue crack propagation behavior of joints.

     

/

返回文章
返回