高级检索

双丝CMT + P增材制造316L不锈钢件组织性能

Microstructure and properties of 316L stainless steel parts fabricated by double wire CMT + P additive manufacturing

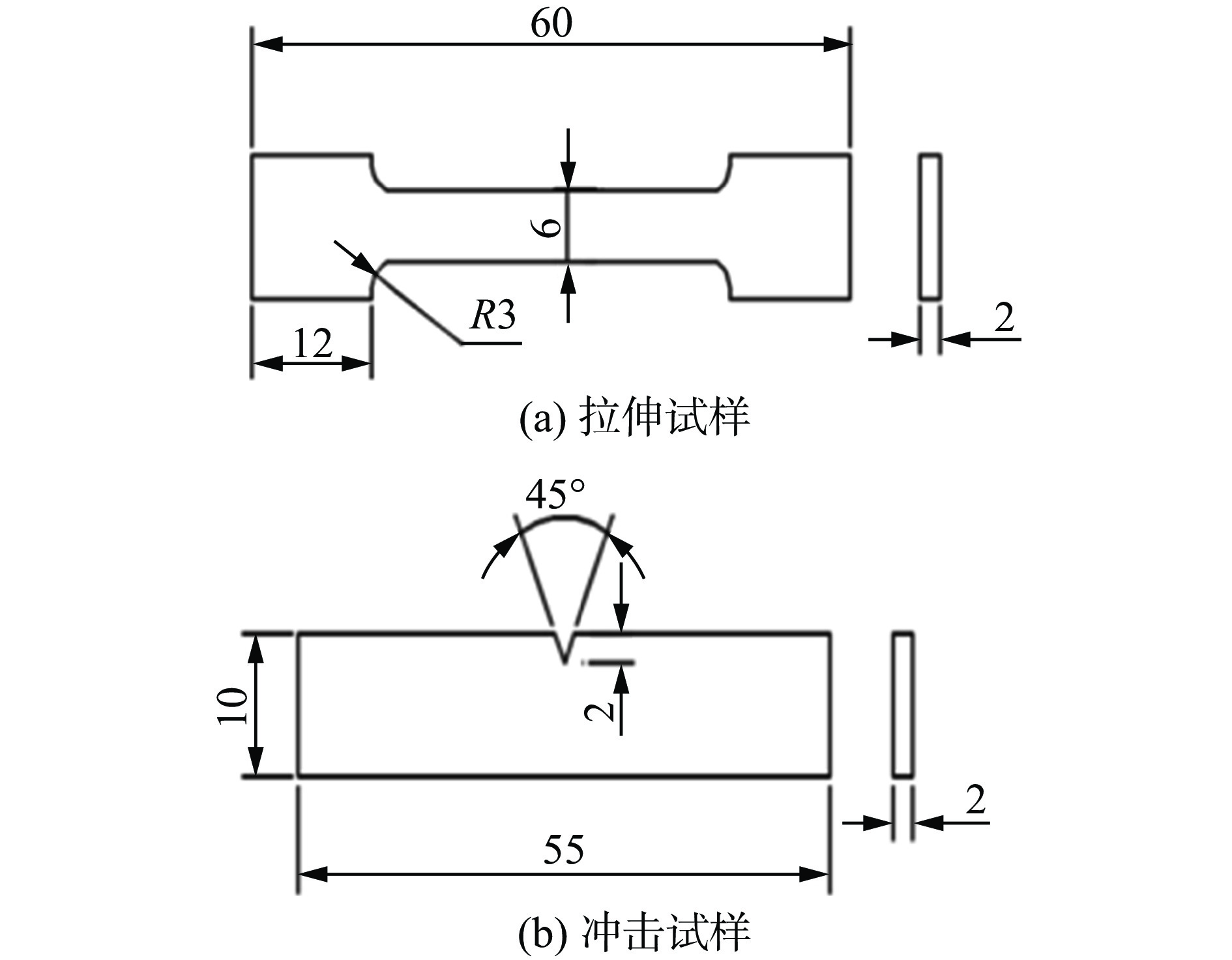
  • 摘要: 采用了冷金属过渡加脉冲(CMT + P)双丝双电弧工艺进行60层316L不锈钢沉积件的增材,对比分析了不同熔敷电流对沉积件的显微组织与力学性能的影响. 结果表明,随着熔敷电流增大,成形宽度逐渐增大,而高度则先增大后减小,表面良好无明显缺陷,是一种可行的双丝双电弧增材制造工艺.通过金相分析可以看出组织均由γ-Fe和δ铁素体构成,自下而上均以连续生长的柱状枝晶为主.当电流变化时,铁素体的大小和形状存在明显变化,铁素体同熔敷电流呈负相关,通过力学性能分析可知,当熔敷电流100 A时表现出的整体性能最优,平均冲击吸收能量为31.15 ± 0.85 J,整体抗拉强度达到537.9 ± 31.25 MPa,整体屈服强度达到214.45 ± 5.87 MPa,断后伸长率达47.1% ± 2.3%,断口为韧性断裂;当熔敷电流83 A时平均硬度最高,达到209.1 HV0.3,但熔敷电流100 A时硬度更均匀.

     

    Abstract: The cold metal transition plus pulsed (CMT + P) double wire double arc process was used to add 60 layers of 316L stainless steel deposits, and the effects of different deposition current on the microstructure and mechanical properties of the deposits are comparatively analysed. With the increase of the deposition current, the forming width increases gradually, the height increases first and then decreases, and the forming surface is good without obvious defects, which is a feasible double wire double arc additive manufacturing process. Metallographic analysis shows that the microstructure consists of γ-Fe and δ-ferrites, and the bottom up was dominated by continuously growing columnar dendrites. When the current changes, there are obvious changes in the size and shape of the ferrite, and the ferrite is negatively correlated with the deposition current; The mechanical property analysis shows that the overall performance was optimal when the deposition current is 100 A. The average impact absorption work is 31.15 ± 0.85 J, the overall tensile strength reaches 521.9 ± 5.18 MPa, the overall yield strength reaches 214.45 ± 5.87 MPa, and the elongation at break reaches 47.6 ± 2.1 %, and the fracture is a toughness fracture; The highest average hardness of 209.1HV0.3 is achieved at a deposition current of 83A, but the hardness is more uniform at a deposition current of 100 A.

     

/

返回文章
返回