Abstract:
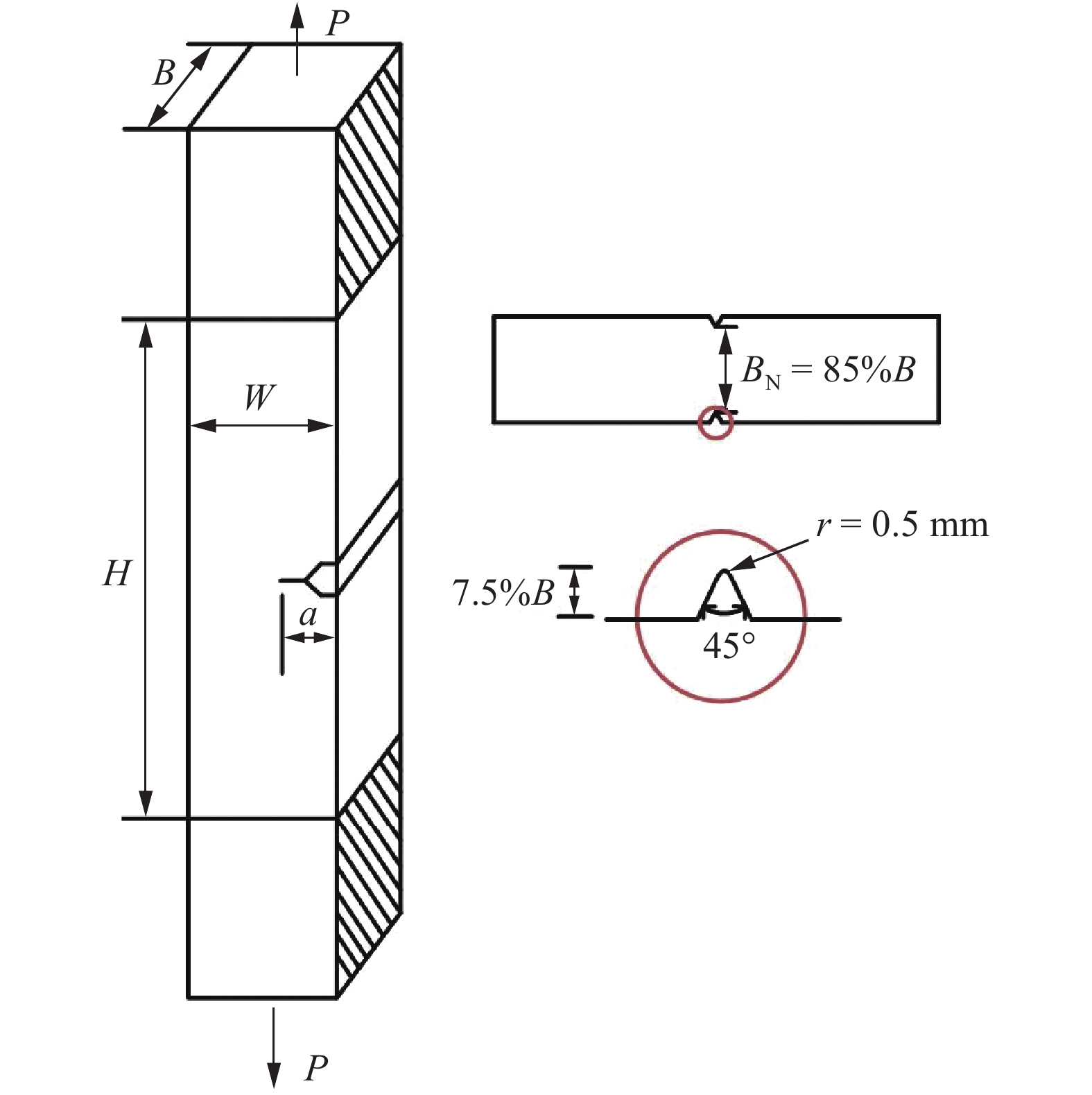
In this paper, X80 high-strength pipeline steel is taken as the research object. Combined with numerical and theoretical analysis, the constraint parameters
r_p0^1/2
、
r_p\max ^1/2
、
A_pz^1/4
、
\chi _P
based on the geometric characteristics of the plastic zone at the crack tip are studied for the crack tip stress of different single edge notch tensile SE(T) specimens. The in-plane and out-of-plane constraint effects on the fracture toughness of SE(T) specimens of X80 pipeline steel were quantified by fracture toughness tests. The relationship between
r_p0^1/2
、
r_p\max ^1/2
、
A_pz^1/4
、
\chi _P
, the uniform of in-plane and out-of-plane constraint based on the plastic zone at the crack tip, and the stress intensity factor K were established. The analytical relationship between the constraint parameters and the
T stress (
T11 and
T33) was determined, and the fracture toughness prediction methods under small-scale yield conditions were proposed through finite element simulation and theoretical analysis.