高级检索

双丝电弧增材制备Al-Mg-Zn-Cu-Sc铝合金工艺与组织性能

Microstructure and properties of dual-wire arc additive manufacturing of Al-Mg-Zn-Cu-Sc alloy

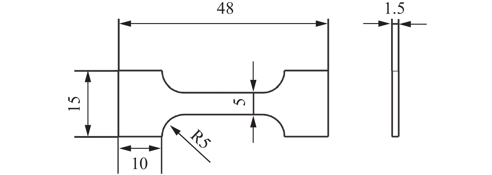
  • 摘要: 为改善Al-Zn-Mg-Cu铝合金电弧增材过程中出现的工艺和缺陷问题,利用双丝电弧增材技术,制备了Al-Mg-Zn-Cu-Sc合金. 根据电弧增材过程中的工艺以及成形情况,对该工艺中的送丝位置,送丝速度以及变极性频率等工艺参数进行分析. 通过工艺试验得到气孔含量较少和成型情况较好的参数并进行双丝电弧增材制造. 分析了不同扫描速度下的制备的Al-Mg-Zn-Cu-Sc合金组织以及力学性能,对微观组织和试样失效区域进行观察,确认了断裂类型和组织特点. 最终得到双丝电弧增材技术制备Al-Mg-Zn-Cu-Sc铝合金的工艺区间,明确了沉积态Al-Mg-Zn-Cu-Sc铝合金的基本组织特点.

     

    Abstract: The Al-Mg-Zn-Cu-Sc alloy was fabricated via dual-wire arc additive manufacturing to improve the processing and defect problem. According to the process stability and forming conditions and microstructure, the process parameters such as wire feeding position, wire feeding speed, and variable polarity frequency were studied. The parameters with less porosity and better forming conditions were obtained. The microstructure and mechanical properties of Al-Mg-Zn-Cu-Sc alloy prepared at different scanning speeds were analyzed. The microstructure and failure zone of the sample were observed, and the fracture types and microstructure characteristics were confirmed. Finally, the process range of Al-Mg-Zn-Cu-Sc aluminum alloy prepared by dual-wire arc additive manufacturing was obtained, and the basic microstructure characteristics of deposited Al-Mg-Zn-Cu-Sc aluminum alloy were defined.

     

/

返回文章
返回