高级检索

大功率低纹波等离子喷涂斩波电源研制

Development of high power low ripple plasma spray chopper power supply

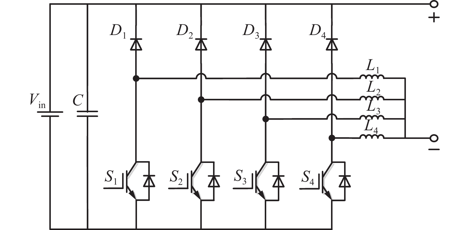
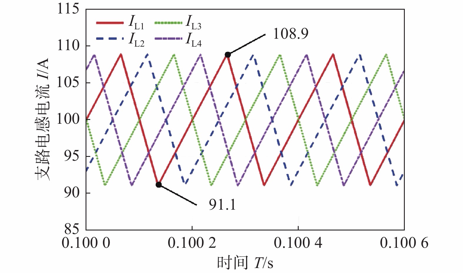
  • 摘要: 等离子喷涂电源通常采用可控硅整流电源或逆变电源,存在效率低、输出电流纹波大等问题,难以满足等离子喷涂工艺的特殊要求. 文中提出了一种基于八相交错并联Buck变换器的大功率等离子喷涂斩波电源. 首先设计了斩波电源的电路拓扑,分析了斩波电源的工作原理和电流纹波产生机理,阐明了并联相数、占空比对电流纹波的影响规律,并进行了仿真验证. 然后,基于等离子喷涂工艺对电源特性的要求,设计出功率为40 kW的四相交错并联模块,在CAN总线协同控制下,组成80 kW的八相交错并联斩波式等离子喷涂电源. 最后,搭建了等离子喷涂斩波电源样机,进行了喷涂试验,测试了电源的输出纹波和效率. 试验结果表明,与传统的可控硅整流电源和逆变电源相比,斩波电源的电流纹波率降低50%以上,电源效率最高达到94.5%.

     

    Abstract: Plasma spraying power supply usually adopts thyristor rectifier power supply or inverter power supply, which has problems such as low efficiency and large output current ripple. It is difficult to meet the special requirements of plasma spraying process. A high-power plasma spray chopper power supply was proposed based on an eight-phase interleaved parallel Buck converter in this paper. Firstly, the circuit topology of the chopper power supply was designed. The working principle and the current ripple generation mechanism of the chopper power supply were analyzed. The influence of the number of parallel phases and the duty cycle on the current ripple was clarified. The simulation verification was carried out. Then, based on the requirements of the plasma spraying process for power supply characteristics, a four-phase interleaved parallel module with power of 40 kW was designed. Under the cooperative control of the CAN bus, an 80 kW eight-phase interleaved parallel chopper plasma spraying power supply was formed. Finally, the plasma spraying chopper power supply prototype was built. Spraying experiments were carried out to test the output ripple and efficiency of the power supply. The experimental results show that, compared with the traditional thyristor rectifier power supply and inverter power supply, the current ripple rate of the chopper power supply was reduced by more than 50%, and the power efficiency was up to 94.5%.

     

/

返回文章
返回