高级检索

选区激光熔化成形12CrNi2合金钢的显微组织和力学性能

Microstructure and mechanical properties of 12CrNi2 alloy steel manufactured by selective laser melting

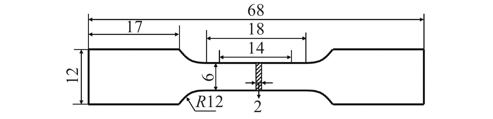
  • 摘要: 利用选区激光熔化(SLM)技术制备了12CrNi2合金钢. 借助金相显微镜、扫描电子显微镜、透射电子显微镜、显微硬度仪、室温拉伸试验等方法研究了激光能量密度对合金钢显微组织和力学性能的影响. 结果表明,成形合金钢的宏观组织可分为熔池区与热影响区两部分,微观组织为回火马氏体和少量残余奥氏体. 随激光能量密度(EV)增加,成形合金钢的孔洞缺陷逐渐减少,致密度逐渐增加,最高可达到99.87%;同时,熔池体积增大,寿命增加,冷却速度降低,导致回火马氏体板条宽化,热影响区变宽,合金钢的显微硬度和强度降低,塑性增加. 在EV为81.34 J/mm3条件下,SLM成形12CrNi2合金钢具有最优强塑性,抗拉强度和屈服强度分别为1098和882 MPa,断后伸长率为20.07%. 采用SLM技术成形12CrNi2合金钢可获得比激光熔化沉积(LMD)和铸造成形更佳的综合力学性能.

     

    Abstract: 12CrNi2 alloy steel was additively manufactured using selective laser melting (SLM) technology. The influence of laser energy density on the microstructure and mechanical properties of the SLM-formed alloy steel has been studied using methods such as metallographic microscope, scanning electron microscope, transmission electron microscope, microhardness tester, and room temperature tensile test. The results demonstrate that the macrostructure of the SLM-formed alloy steel can be divided into two parts: molten pool zone and heat affected zone. The microstructure consists of tempered martensite and a small amount of retained austenite. With the increase of laser energy density (EV), the pore defects in the SLM-formed alloy steel are gradually reduced, and the density is gradually increased, which can reach 99.87%. In the meanwhile, the molten pool volume and lifetime increase and the cooling rate decreases, resulting in the widening of the tempered martensite lath and the heat-affected zone; further, the microhardness and strength of the alloy steel are decreased, and the plasticity is increased. When EV is 81.34 J/mm3, the SLM-formed 12CrNi2 alloy steel exhibits optimal tensile properties, its tensile strength and yield strength are 1098 MPa and 882 MPa, respectively, and its elongation is 20.07%. The comprehensive mechanical properties of 12CrNi2 alloy steel formed by SLM technology are better than those formed by laser melting deposition (LMD) and casting technology.

     

/

返回文章
返回