高级检索

熔化极电弧增材制造18Ni马氏体钢组织和性能

Microstructure and mechanical properties of 18 Ni maraging steel deposited by gas metal arc additive manufacturing

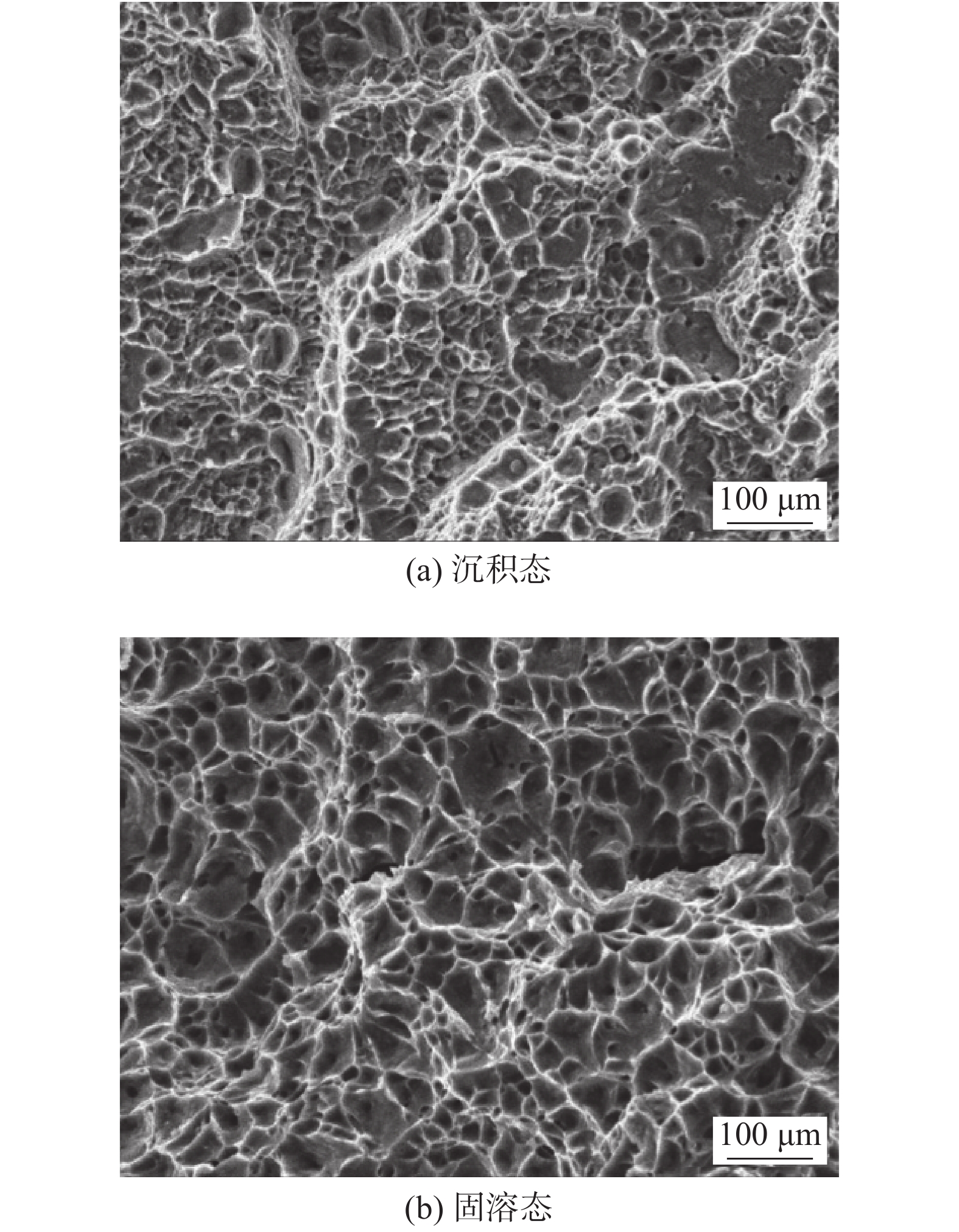
  • 摘要: 采用熔化极电弧增材工艺制备了成形良好的18Ni马氏体钢单墙体,研究了增材构件热处理前、后的组织力学性能. 结果表明,增材构件的微观组织主要是柱状树枝晶,沉积态增材构件组织和力学性能存在局部差异:构件组织顶部为马氏体,硬度平均值为360 HV;中部和底部区域则为马氏体和奥氏体且中部硬度平均值为468 HV,略高于底部硬度平均值437 HV;构件纵向抗拉强度(1375 MPa)高出横向抗拉强度(1072 MPa)约28.3%,对应的断后伸长率分别为1.1%和0.8%. 对增材构件进行825 ℃保温1 h的固溶热处理后,析出相重新溶入奥氏体,构件组织转变为马氏体,硬度值下降(平均值为328 HV),变化波动小;纵向和横向抗拉强度相当,分别为1025 MPa和1034 MPa,断后伸长率分别为6%和14%.

     

    Abstract: A well formed 18Ni maraging steel thin-walled part was prepared by the gas metal arc additive manufactring. The microstructure and mechanical properties of the as-deposited and heat treated component were studied. The results showed that the microstructure of the component was mainly cellular dendrite, and the microstructure and mechanical properties of the as-built component in different positions were various: the top of the thin-wall was martensite, and the average hardness was 360 HV. The hardness of the middle part was 468 HV, slightly higher than that of the bottom part (437 HV). The tensile strength of the component (1375 MPa) in the vertical direction was about 28.3% higher than it in the horizontal direction (1072 MPa), and the corresponding elongation was 1.1% and 0.8% respectively. After the solution heat treatment at 825 ℃ for 1 h, the precipitates of the part were remelted into austenite and the hardness decreased (the average value was 328 HV) with little variation. The tensile strength in the vertical direction (1025 MPa) were equivalent the horizontal direction (1034 MPa) and the elongation was 6% and 14%, respectively.

     

/

返回文章
返回