高级检索

一种新型的移动闪光焊轨机供电系统

Research on a new type of power supply system for mobile rail flash welding machine

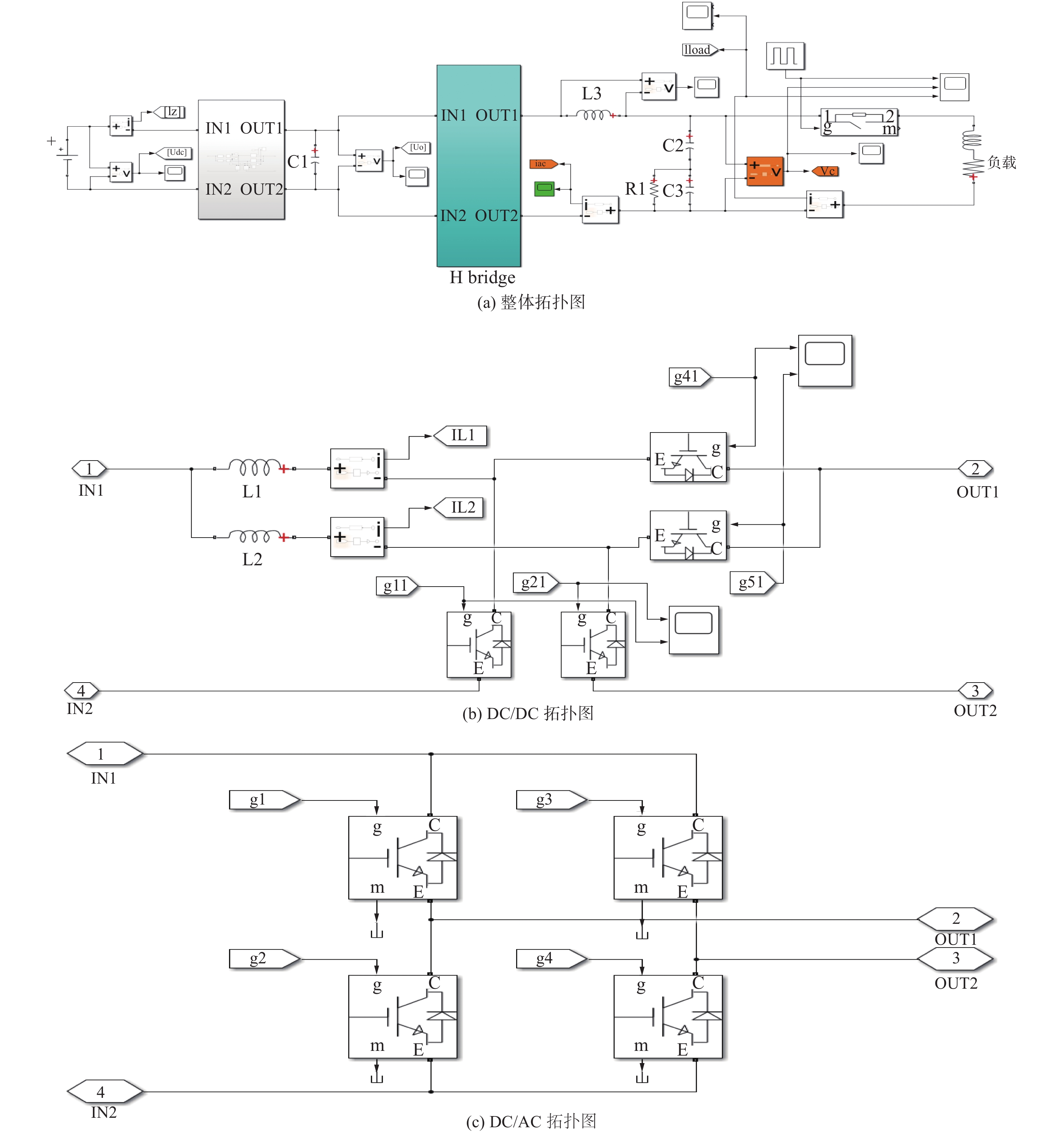
  • 摘要: 针对传统柴油发电机组给移动闪光焊轨机供电的不足,提出一种新型移动闪光焊轨机供电系统. 通过分析移动闪光焊轨机工作特性,提出采用超级电容器与双向DC/DC功率变换器连接后通过开关与蓄电池组并联,构成蓄电池-超级电容混合储能供电系统应用于驱动移动闪光焊轨机工作. 建立了其复合储能系统仿真模型并进行测试,同时通过系统样机的产品开发进行试验,结果表明,该新型混合储能供电系统动态响应速度快、输出稳定,可满足移动闪光焊轨机钢轨焊接的供电需求. 除此之外,该系统还能够克服传统柴油发电机组供电模式的三相负载不平衡,产生废气污染环境等缺点,具有低噪环保等优势. 该系统的自主研发对国内无缝轨道焊接装备技术升级与创新具有重要参考意义.

     

    Abstract: For the shortcomings of the traditional power supply mode of the diesel generator set for the mobile flash welding machine, a new type of power supply system for the flash welding machine is presented. It is proposed to use a super capacitor to connect to a bidirectional DC/DC power converter in parallel with a battery pack through a switch to form a battery-supercapacitor hybrid energy storage system for driving mobile flash welding machines by analyzing the working characteristics of mobile rail flash welding machine. Established the model of hybrid energy storage system and conducted simulation tests, and test through product development of system prototypethe, the results show that the new hybrid energy storage system has fast dynamic response to load power ripple and stable output, which can not only meet the power supply requirements of rail flash welding machines, but also overcome the shortcomings of the three-phase load imbalance of the traditional diesel generator power supply mode and produce exhaust gas to pollute the environment. It has many advantages such as environmental protection. The independent research and development of the system has important reference significance for the technology upgrade and innovation of China seamless rail welding equipment.

     

/

返回文章
返回