高级检索

不同气氛激光直接沉积成形24CrNiMo合金钢的显微组织和力学性能

Microstructures and mechanical properties of laser metal deposited 24CrNiMo steel in different atmospheres

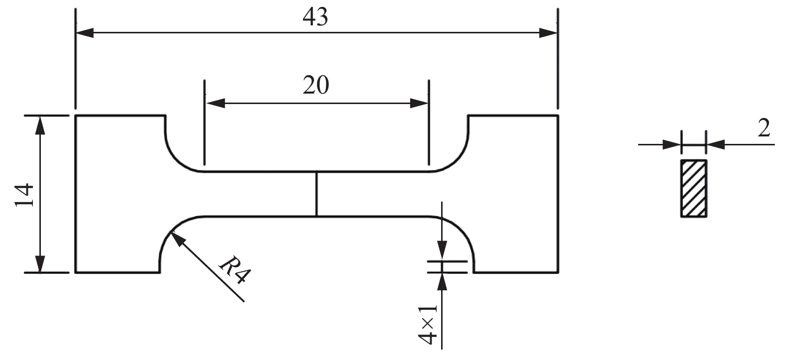
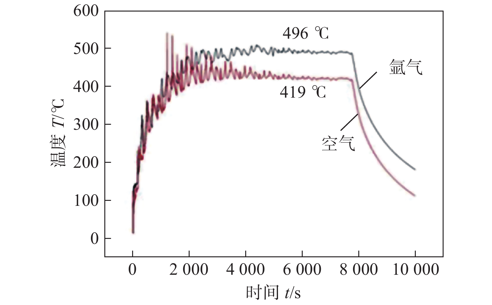
  • 摘要: 采用激光直接沉积成形技术,分别在氩气和空气环境中制备了24CrNiMo合金试样. 借助光学显微镜、扫描电子显微镜、氧氮氢分析仪、显微硬度仪、室温拉伸及冲击试验对制备的合金显微组织和力学性能进行研究. 结果表明,氩气和空气环境中的沉积态凝固组织形貌基本相同,均为外延生长的柱状晶,并随着界面温度梯度(G)与界面生长速率(v)的比值(G/v)的减小由柱状晶转变为胞状枝晶;显微组织均为粒状贝氏体,由于热累积温度不同,氩气氛围下的累积温度更高造成粒状物大小及分布均不规则,而空气氛围下形状为短棒状,沿某一方向平行分布;空气环境中成形试样的硬度及拉伸强度略高于氩气环境中,但前者的塑性及冲击韧性略低,主要由于空气氛围下试样存在较多的氧化物夹杂.

     

    Abstract: Using the laser metal deposition (LMD) technology, 24CrNiMo alloy samples were prepared in Ar and air atmosphere, respectively. Optical microscope, scanning electron microscope, oxygen nitrogen hydrogen analyzer, microhardness tester, room temperature tensile test and impact test were used to investigate the microstructure and mechanical properties of the alloy prepared. The results showed that the morphology of the deposited solidified structure in Ar and air atmosphere were basically same, both were epitaxially grown columnar crystals, which changed into cell dendrites with decrease in the ratio of the interface temperature gradient (G) to the interface growth rate (v). The microstructures were all granular bainite. Heat accumulation temperature affected the size and distribution. The size and distribution of the particles were irregular because that the accumulated temperature in the Ar atmosphere was higher, while the shape of bainite in the air atmosphere was short rod-shaped and distributed in a certain direction; the hardness and tensile strength of the sample in the air atmosphere were slightly higher than those in the Ar atmosphere, but the plasticity and impact toughness of the former were slightly lower, mainly due to the presence of more oxide inclusions in the sample in the air.

     

/

返回文章
返回